MPM160型压力传感器
更新:2015/4/30 15:19:58 点击:4405
- 产品型号 MPM160型压力传感器
- 产品描述
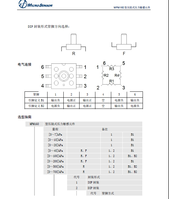
*测量范围:O kPa~7kPa~700kPa
*MEMS技术 *表压形式 *工作温度范围:-30℃~100℃
*芯片背压腔受压 *管脚方向可以选择
适用于电子血压计,呼吸机,制氧机,酒精测试仪,监护仪等医疗领域,以及胎压计,刹车助力,转向助力,MAP传感器等汽车电子领域;以及按摩器,按摩椅,气垫床等运动健身器材领域;和洗衣机,啤酒机,咖啡机,净水机,应急灯,吸尘器,气动元件等领域。
产品介绍





更多产品